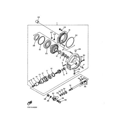
HULSE
Artikelname: HULSE
Hersteller: Yamaha
OEM Nummer: 90387172A500
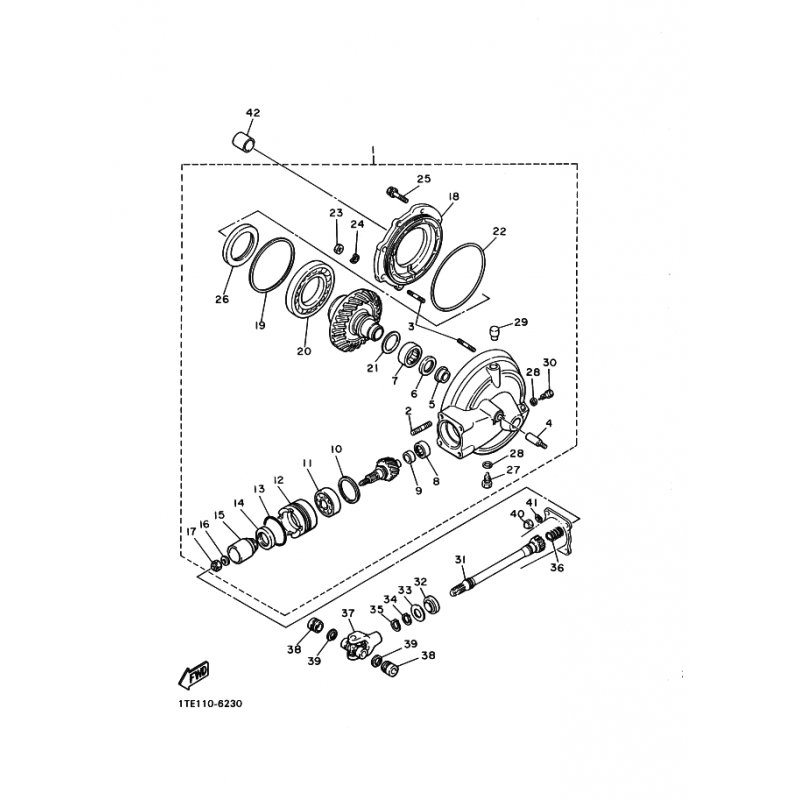
Hersteller: Yamaha
OEM Nummer: 90387172A500




















