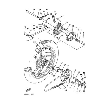
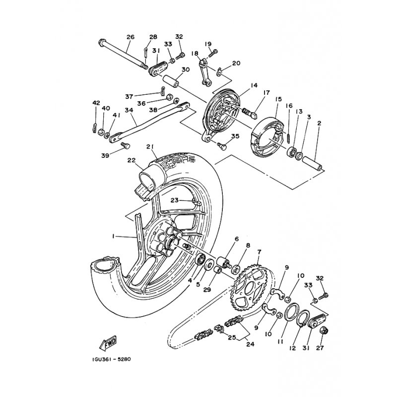
HULSE
Artikelname: HULSE
Hersteller: Yamaha
OEM Nummer: 903871542500
Hersteller: Yamaha
OEM Nummer: 903871542500






















