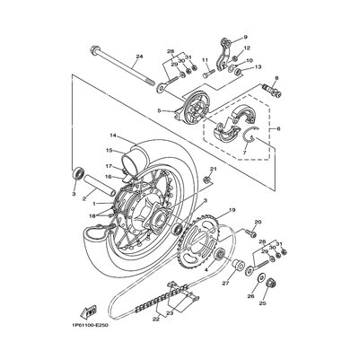
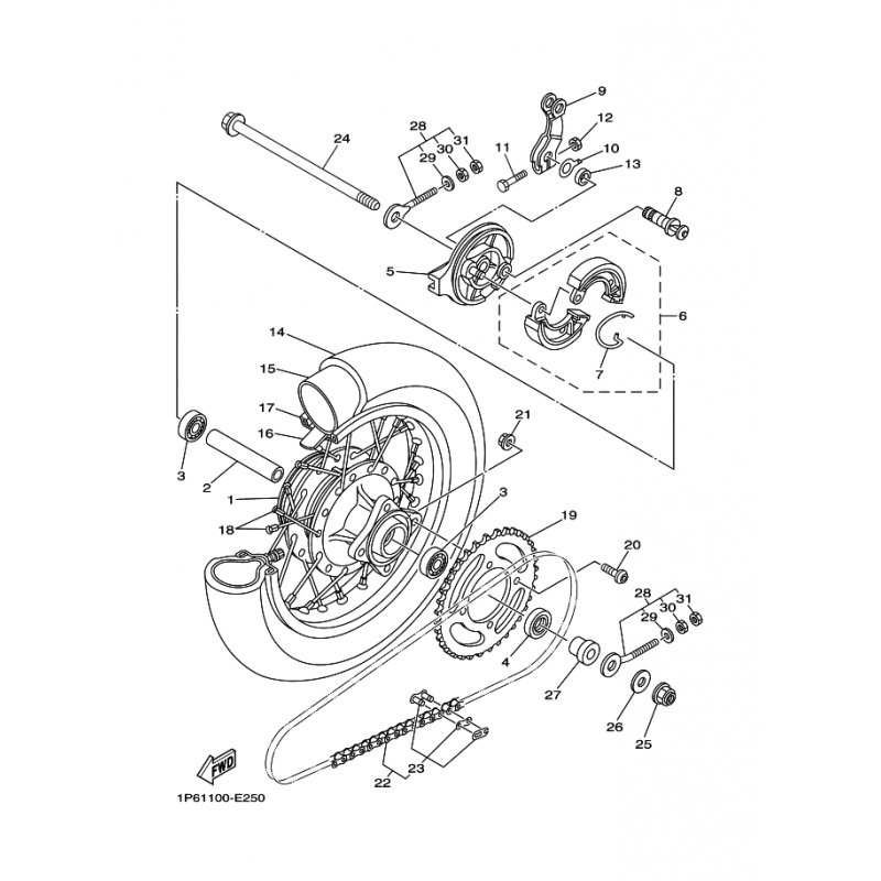
HULSE
Artikelname: HULSE
Hersteller: Yamaha
OEM Nummer: 903871283200
Hersteller: Yamaha
OEM Nummer: 903871283200






















