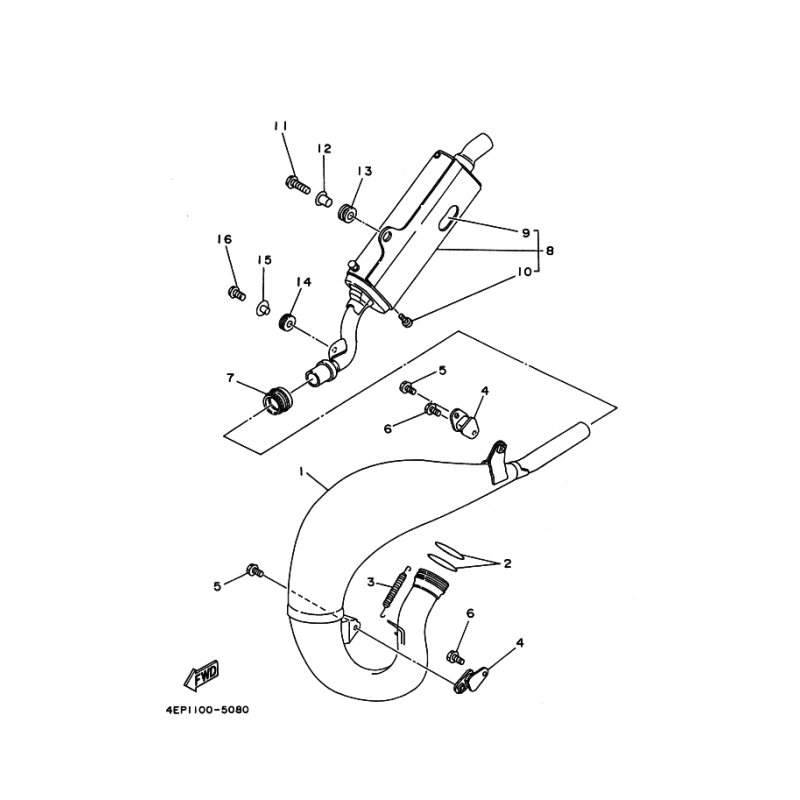
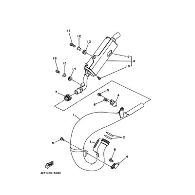
HULSE
Artikelname: HULSE
Hersteller: Yamaha
OEM Nummer: 90387107R600
Hersteller: Yamaha
OEM Nummer: 90387107R600






















