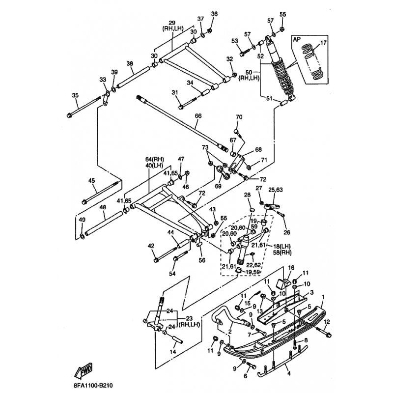
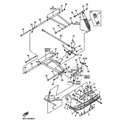
HULSE
Artikelname: HULSE
Hersteller: Yamaha
OEM Nummer: 903871012H00
Hersteller: Yamaha
OEM Nummer: 903871012H00






















