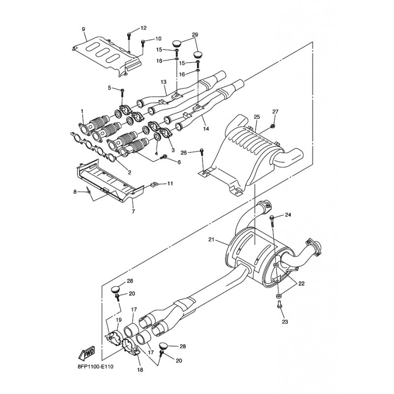
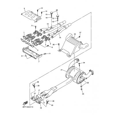
HULSE
Artikelname: HULSE
Hersteller: Yamaha
OEM Nummer: 903870807100
Hersteller: Yamaha
OEM Nummer: 903870807100






















