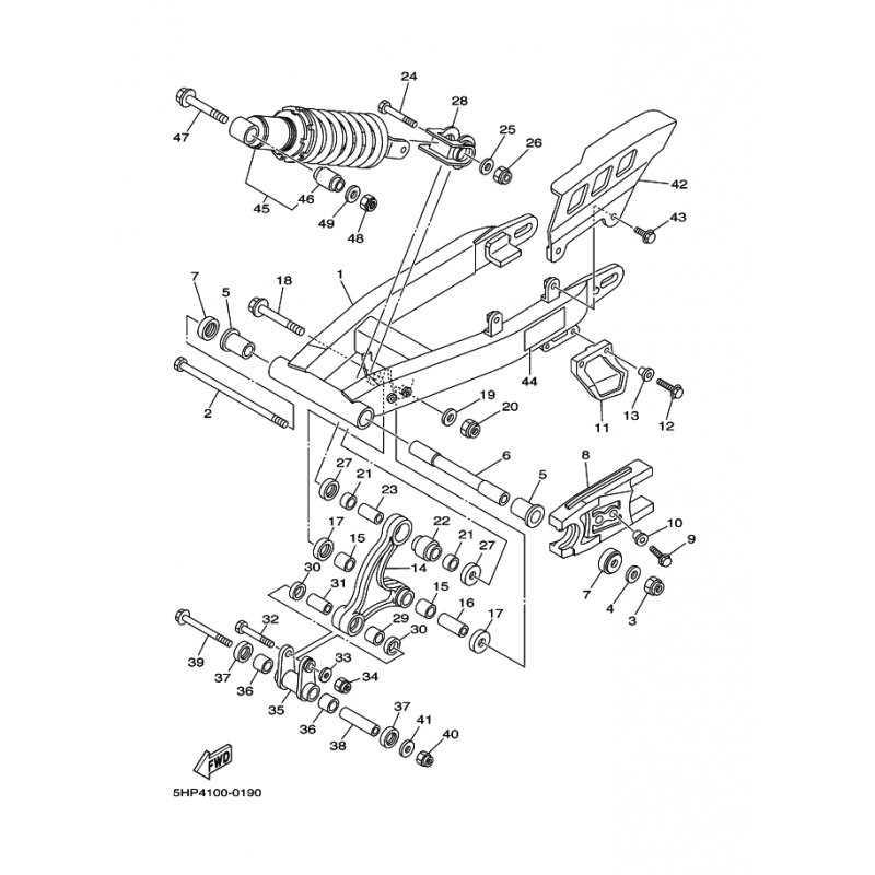
HULSE
Artikelname: HULSE
Hersteller: Yamaha
OEM Nummer: 903870673700
Hersteller: Yamaha
OEM Nummer: 903870673700






















