HULSE
Artikelname: HULSE
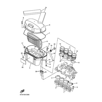
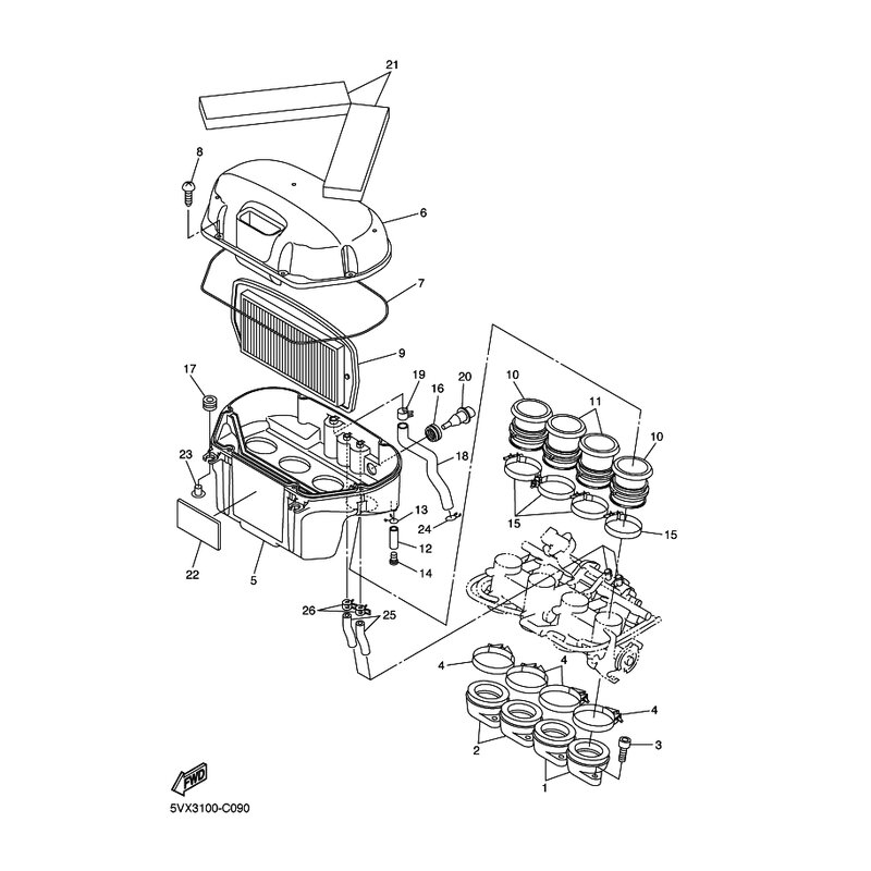
OEM: 90387-06073 [903870607300]
OEM: 90387-06073 [903870607300]




















