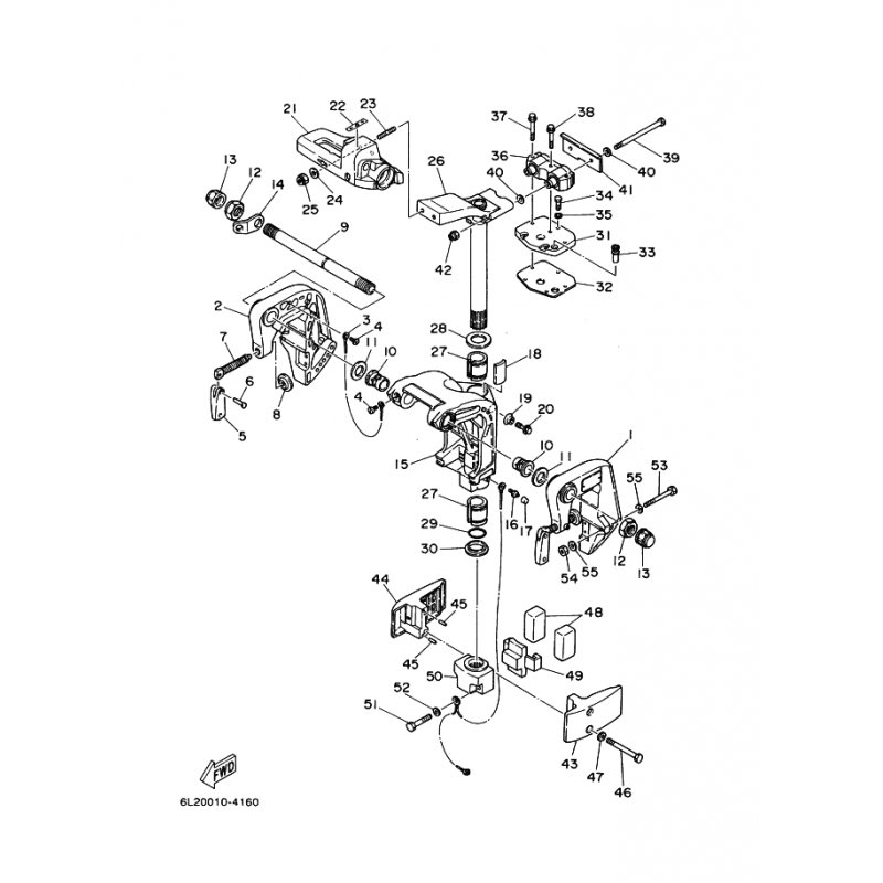
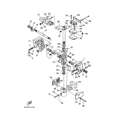
BUCHSE
Artikelname: BUCHSE
Hersteller: Yamaha
OEM Nummer: 9038630M7500
Hersteller: Yamaha
OEM Nummer: 9038630M7500






















