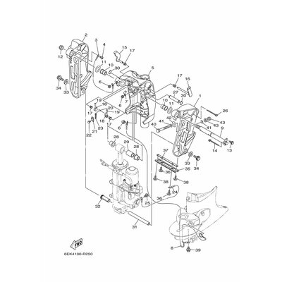
BUCHSE
Artikelname: BUCHSE
Hersteller: Yamaha
OEM Nummer: 9038618M3500
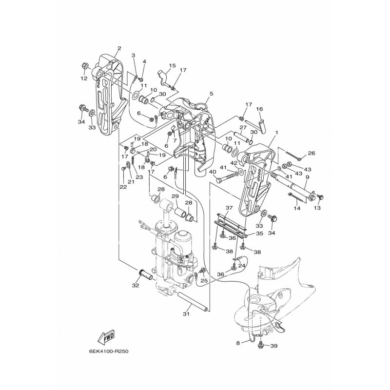
Hersteller: Yamaha
OEM Nummer: 9038618M3500




















