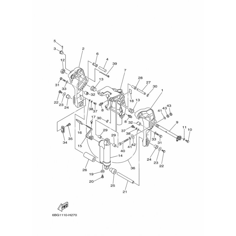
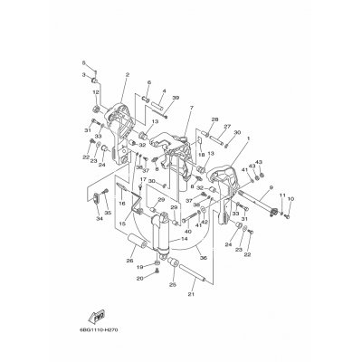
MASSIVBUCHSE
Artikelname: MASSIVBUCHSE
Hersteller: Yamaha
OEM Nummer: 9038112M1000
Hersteller: Yamaha
OEM Nummer: 9038112M1000






















