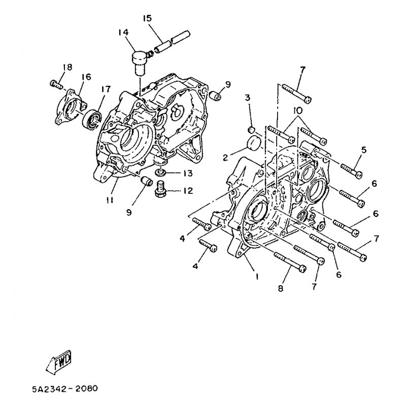
VERSCHLUSS
Artikelname: VERSCHLUSS
Hersteller: Yamaha
OEM Nummer: 903382613600
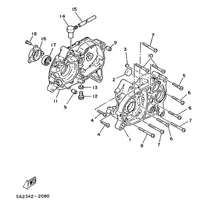
Hersteller: Yamaha
OEM Nummer: 903382613600




















