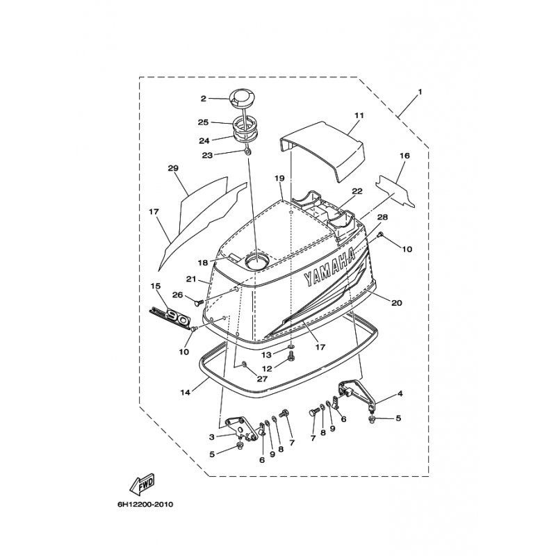
VERSCHLUSS
Artikelname: VERSCHLUSS
Hersteller: Yamaha
OEM Nummer: 9033805M1200
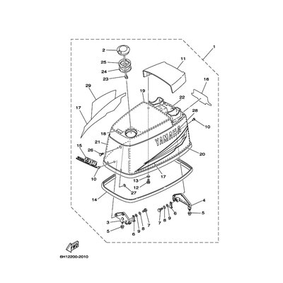
Hersteller: Yamaha
OEM Nummer: 9033805M1200






















