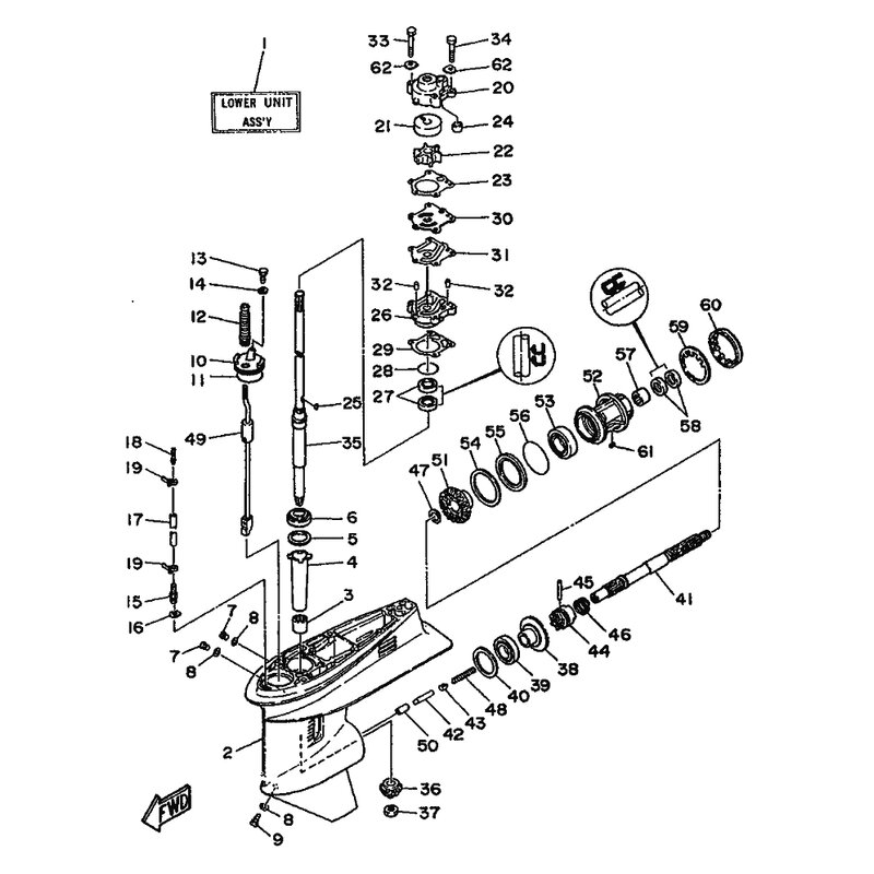
SCHEIBE
Artikelname: SCHEIBE
OEM: 90209-10M14 [9020910M1400]
OEM: 90209-10M14 [9020910M1400]






















