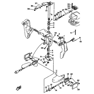
UNTERLEGSCHEIBE
Artikelname: UNTERLEGSCHEIBE
Hersteller: Yamaha
OEM Nummer: 9020220M0600
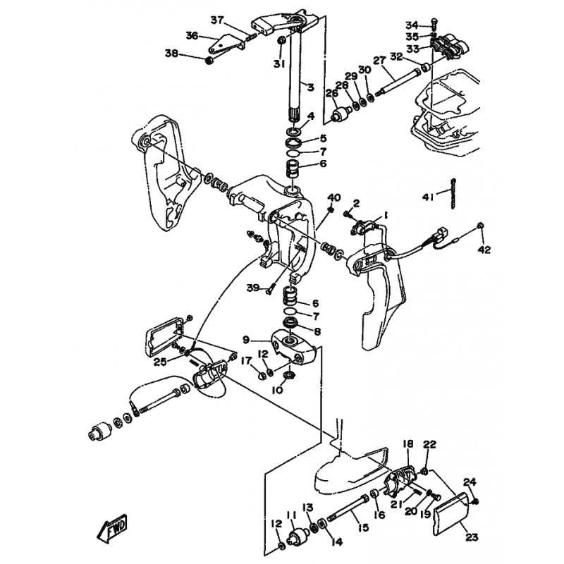
Hersteller: Yamaha
OEM Nummer: 9020220M0600






















