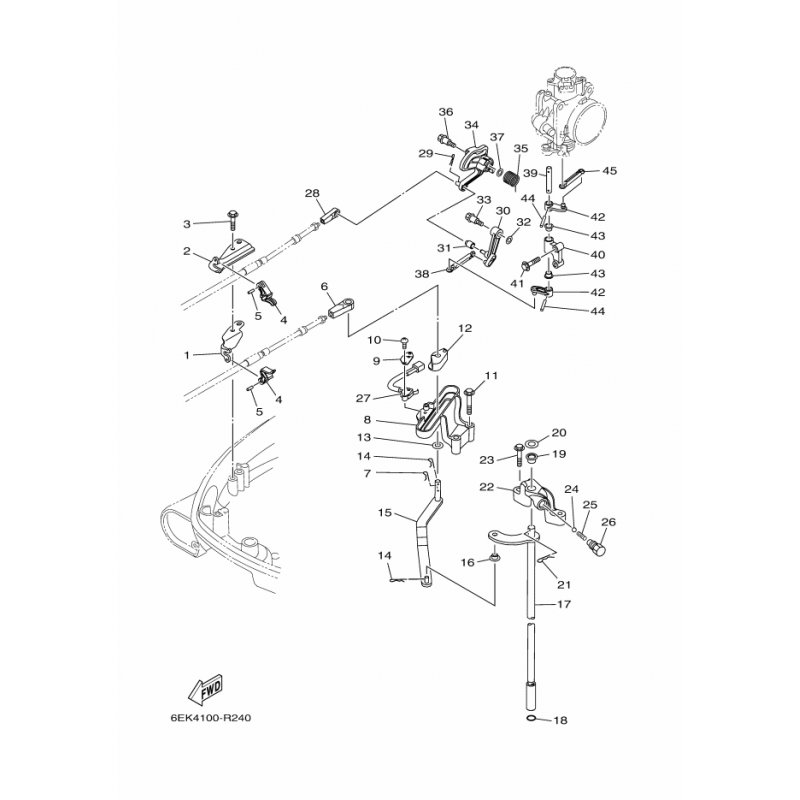
UNTERLEGSCHEIBE
Artikelname: UNTERLEGSCHEIBE
Hersteller: Yamaha
OEM Nummer: 9020208M2000
Hersteller: Yamaha
OEM Nummer: 9020208M2000






















