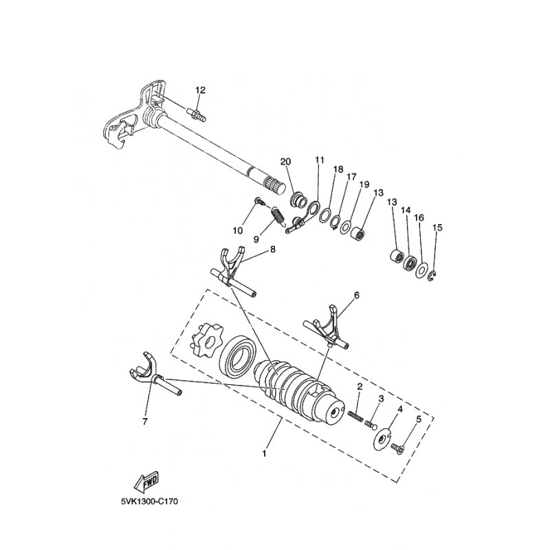
UNTERLEGSCHIBE
Artikelname: UNTERLEGSCHIBE
Hersteller: Yamaha
OEM Nummer: 9020112X0500
Hersteller: Yamaha
OEM Nummer: 9020112X0500






















