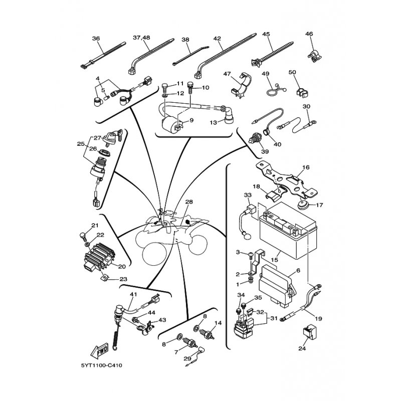
FEDERMUTTER
Artikelname: FEDERMUTTER
Hersteller: Yamaha
OEM Nummer: 90183061A100
Hersteller: Yamaha
OEM Nummer: 90183061A100






















