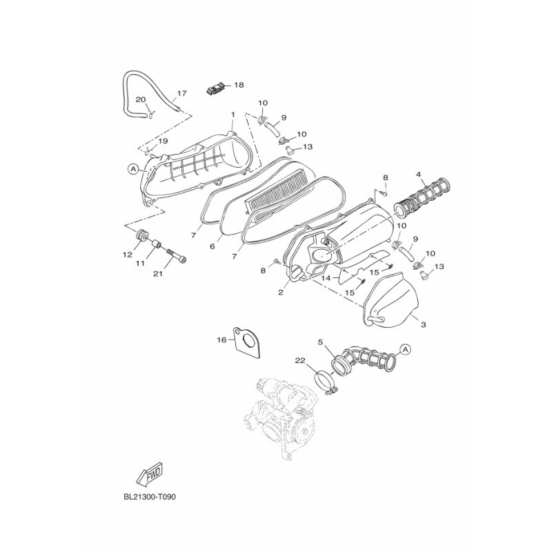
FEDERMUTTER
Artikelname: FEDERMUTTER
Hersteller: Yamaha
OEM Nummer: 9018304X0100
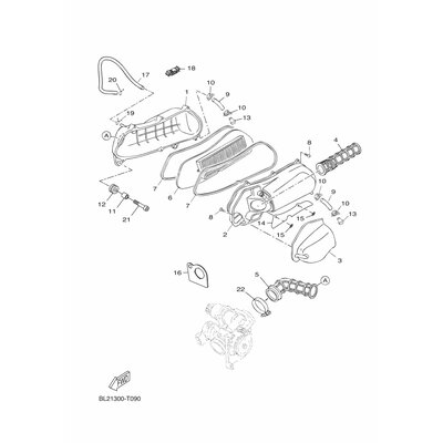
Hersteller: Yamaha
OEM Nummer: 9018304X0100






















