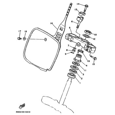
MUTTER
Artikelname: MUTTER
Hersteller: Yamaha
OEM Nummer: 901792860200
Hersteller: Yamaha
OEM Nummer: 901792860200






















