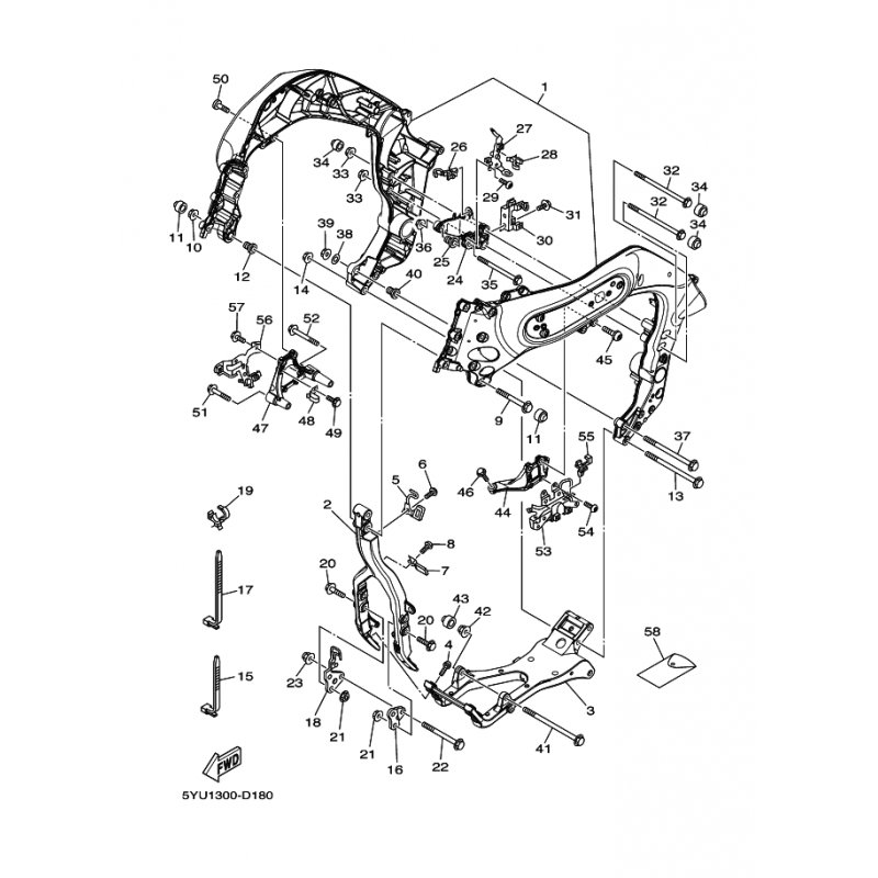
MUTTER
Artikelname: MUTTER
Hersteller: Yamaha
OEM Nummer: 901791001500
Hersteller: Yamaha
OEM Nummer: 901791001500






















