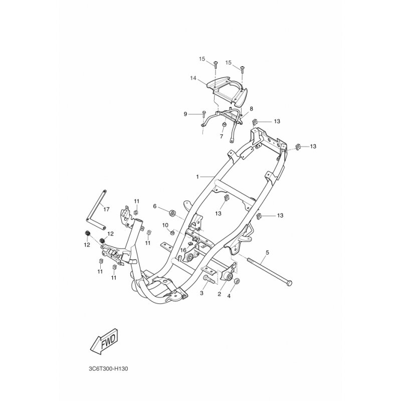
MUTTER
Artikelname: MUTTER
Hersteller: Yamaha
OEM Nummer: 901790602000
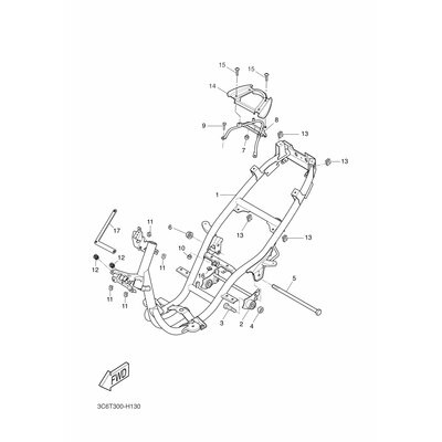
Hersteller: Yamaha
OEM Nummer: 901790602000






















