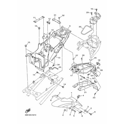
BLECHSCHRAUBE, HALBRUNDKOPF
Artikelname: BLECHSCHRAUBE, HALBRUNDKOPF
Hersteller: Yamaha
OEM Nummer: 901600501200
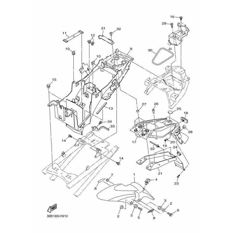
Hersteller: Yamaha
OEM Nummer: 901600501200






















