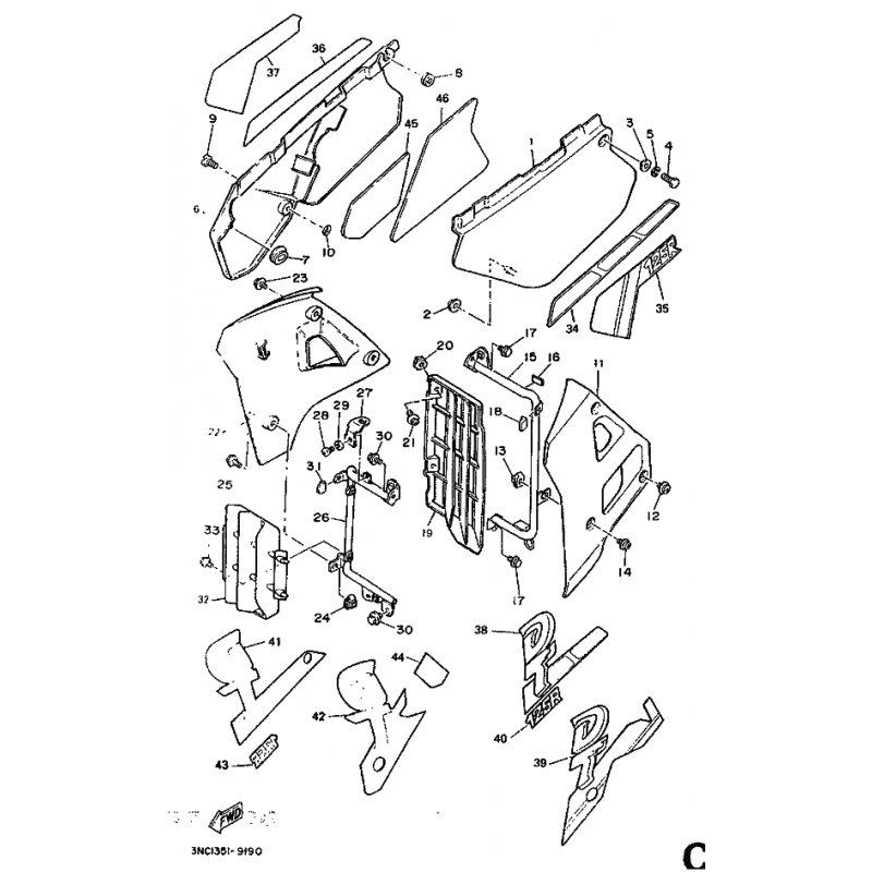
SCHRAUBE, MIT SCHEIBE
Artikelname: SCHRAUBE, MIT SCHEIBE
Hersteller: Yamaha
OEM Nummer: 901590616000
Hersteller: Yamaha
OEM Nummer: 901590616000




















