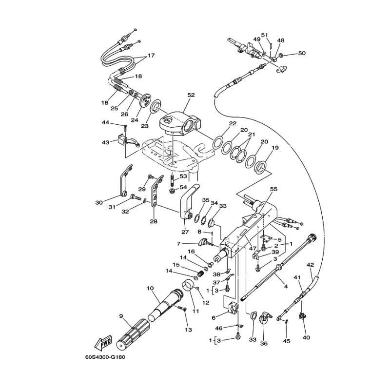
SENKSCHRAUBE
Artikelname: SENKSCHRAUBE
Hersteller: Yamaha
OEM Nummer: 901510500300
Dieser Artikel wurde durch folgenden ersetzt: 901510501100
Hersteller: Yamaha
OEM Nummer: 901510500300
Dieser Artikel wurde durch folgenden ersetzt: 901510501100






















