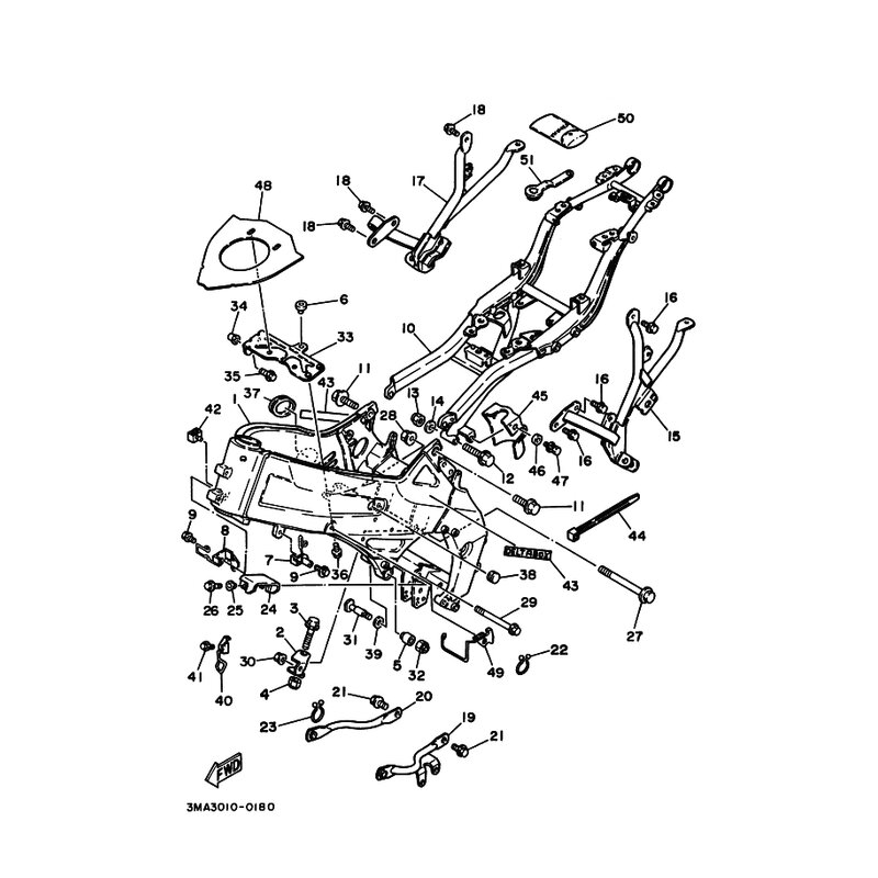
SCHRAUBE
Artikelname: SCHRAUBE
OEM: 90109-082F9 [90109082F900]
OEM: 90109-082F9 [90109082F900]






















