SCHRAUBE
Artikelname: SCHRAUBE
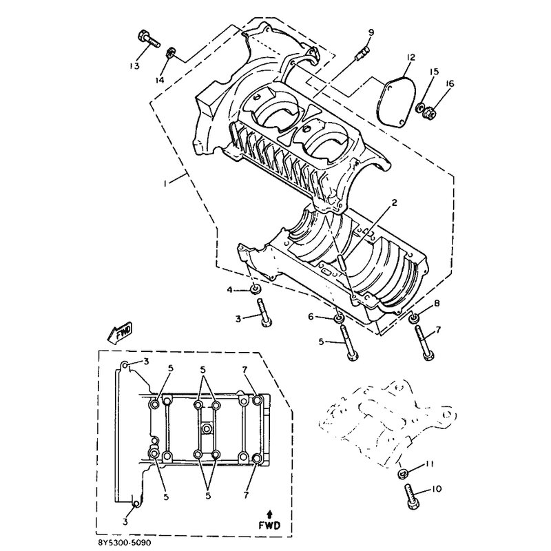
OEM: 90106-10034 [901061003400]
OEM: 90106-10034 [901061003400]






















