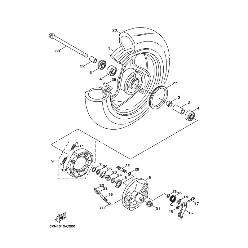
SCHRAUBE
Artikelname: SCHRAUBE
OEM: 90101-06819 [901010681900]
OEM: 90101-06819 [901010681900]




















