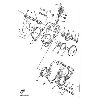
DICHTUNG, OLPUMPENDECKEL 1
Artikelname: DICHTUNG, OLPUMPENDECKEL 1
Hersteller: Yamaha
OEM Nummer: 8V0154560000
Dieser Artikel wurde durch folgenden ersetzt: 8V0154560100
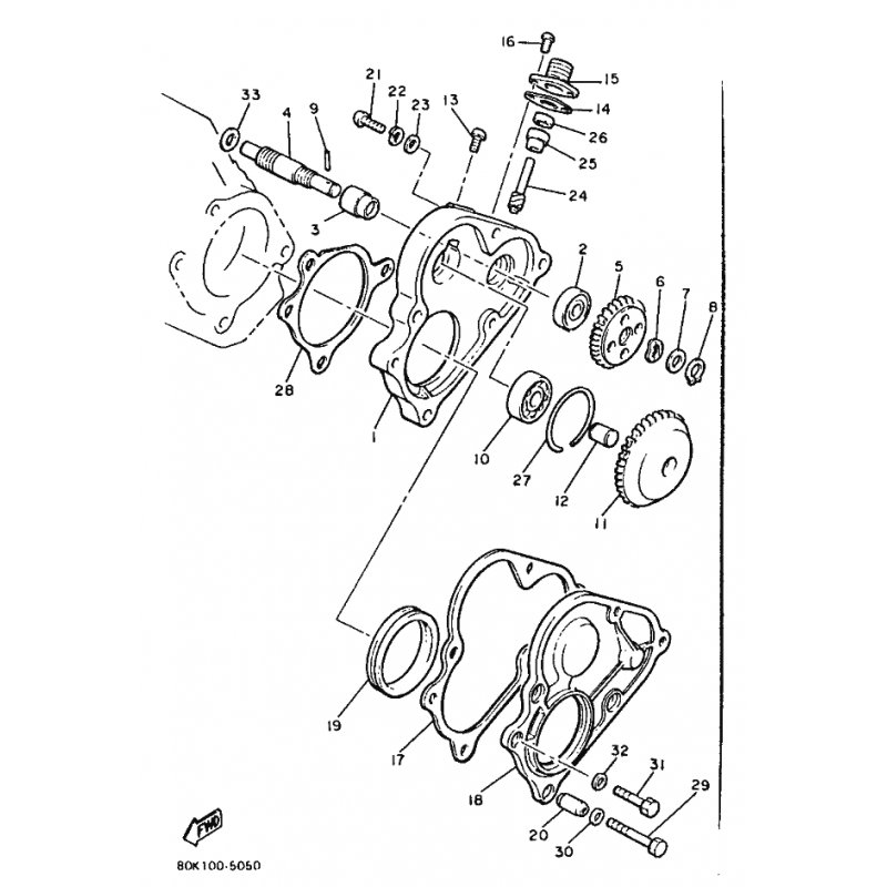
Hersteller: Yamaha
OEM Nummer: 8V0154560000
Dieser Artikel wurde durch folgenden ersetzt: 8V0154560100






















