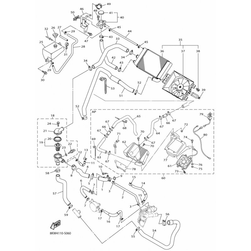
STUTZE, KUHLER
Artikelname: STUTZE, KUHLER
Hersteller: Yamaha
OEM Nummer: 8KW124640000
Hersteller: Yamaha
OEM Nummer: 8KW124640000




















