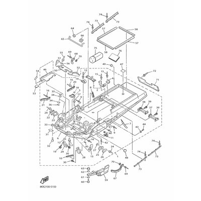
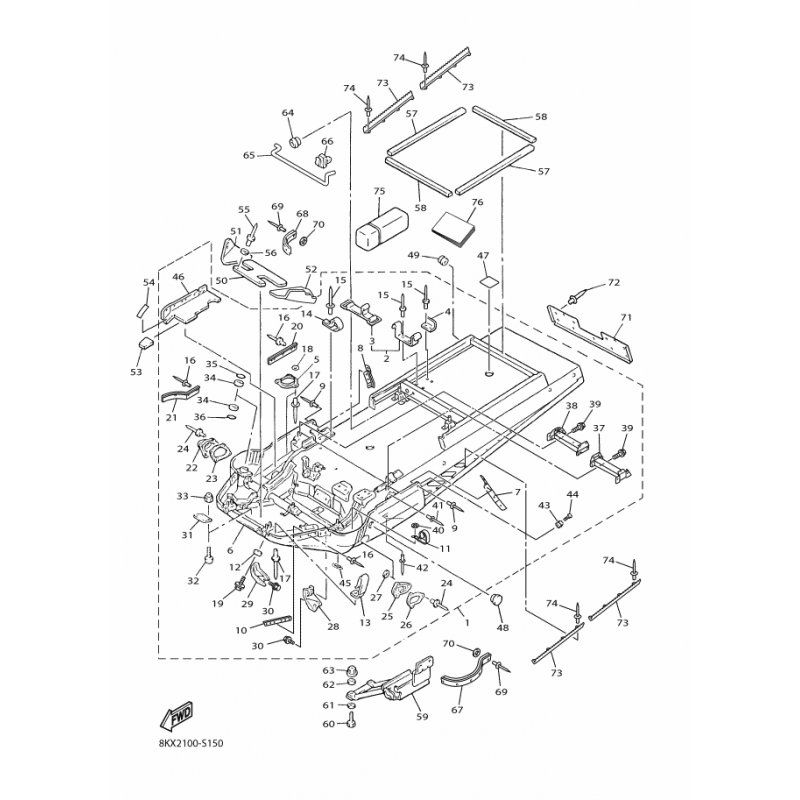
DAMPER, NOISE 11
Artikelname: DAMPER, NOISE 11
Hersteller: Yamaha
OEM Nummer: 8KA772710000
Hersteller: Yamaha
OEM Nummer: 8KA772710000






















