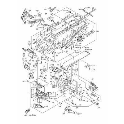
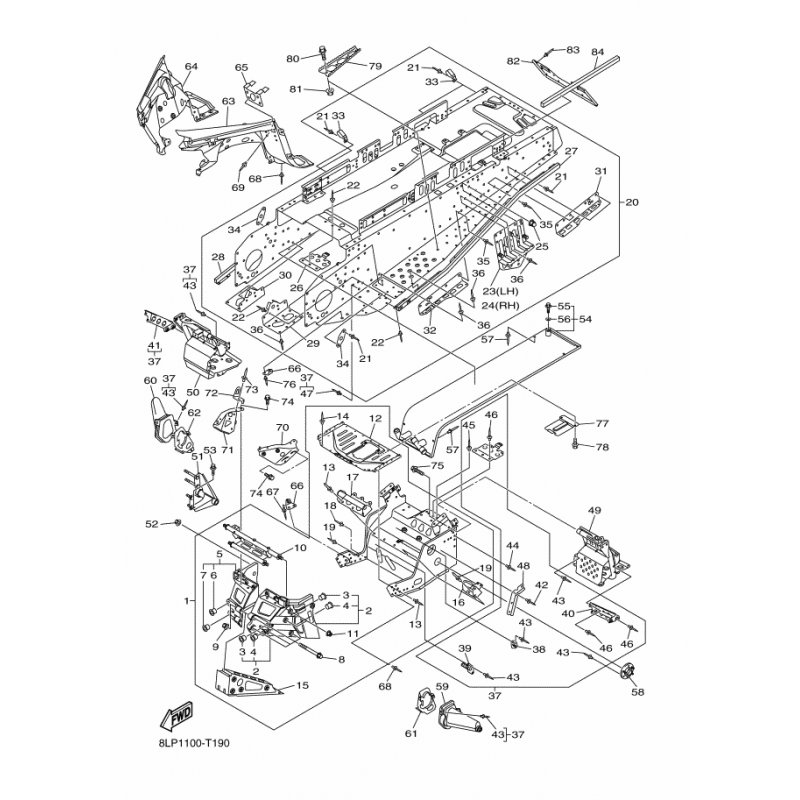
BRACKET, MAIN TRACK
Artikelname: BRACKET, MAIN TRACK
Hersteller: Yamaha
OEM Nummer: 8JE219530000
Hersteller: Yamaha
OEM Nummer: 8JE219530000






















