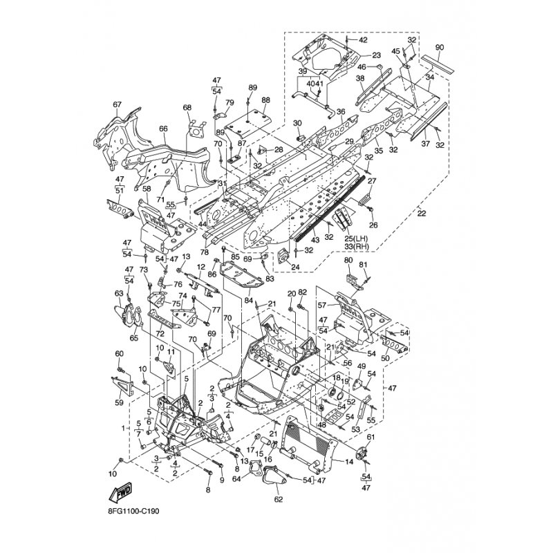
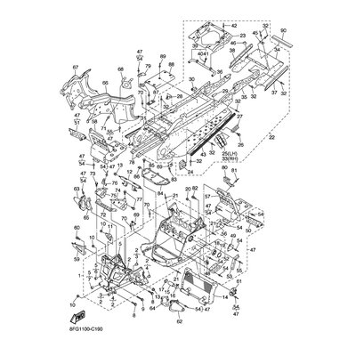
Yamaha Teil 8FG219780000
Artikelname: Yamaha Teil 8FG219780000
Hersteller: Yamaha
OEM Nummer: 8FG219780000
Hersteller: Yamaha
OEM Nummer: 8FG219780000




















