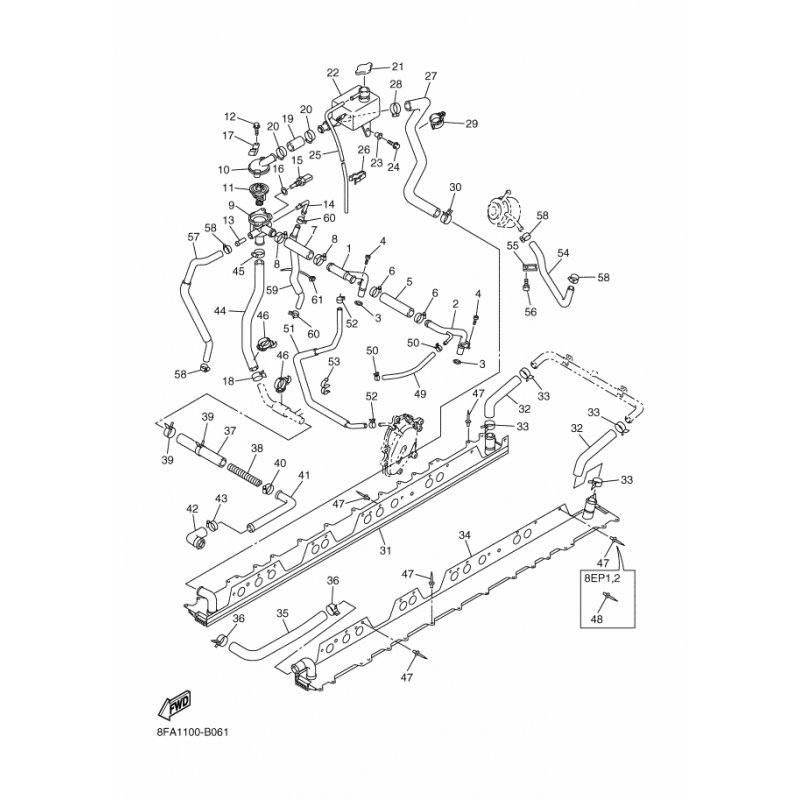
VERBINDUNG, SCHLAUCH 3
Artikelname: VERBINDUNG, SCHLAUCH 3
Hersteller: Yamaha
OEM Nummer: 8FA125840000
Hersteller: Yamaha
OEM Nummer: 8FA125840000




















