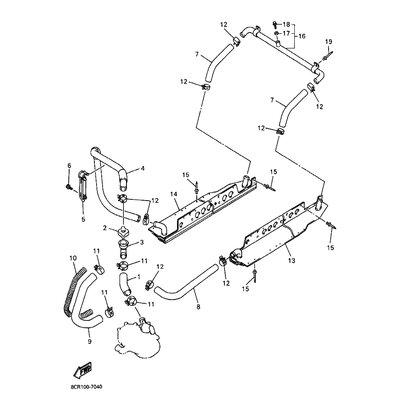
HEAT EXCHANGER
Artikelname: HEAT EXCHANGER
Hersteller: Yamaha
OEM Nummer: 8CW1240F0000
Dieser Artikel wurde durch folgenden ersetzt: 8CW1240F0200
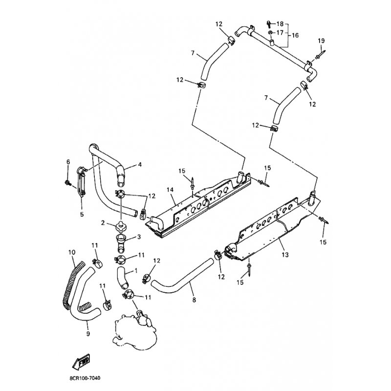
Hersteller: Yamaha
OEM Nummer: 8CW1240F0000
Dieser Artikel wurde durch folgenden ersetzt: 8CW1240F0200




















