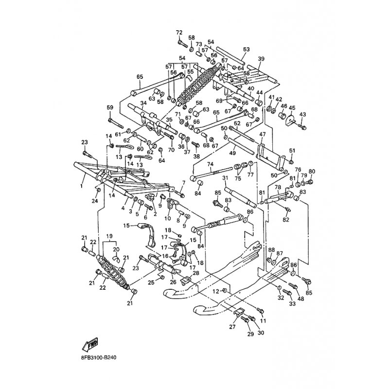
ARM, PIVOT 1
Artikelname: ARM, PIVOT 1
Hersteller: Yamaha
OEM Nummer: 8CV473310100
Hersteller: Yamaha
OEM Nummer: 8CV473310100




















