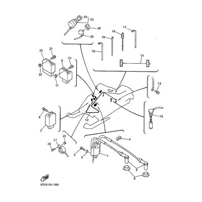
GLEICHRICHTER & SPANNUNGSR.
Artikelname: GLEICHRICHTER & SPANNUNGSR.
Hersteller: Yamaha
OEM Nummer: 8CR819600000
Dieser Artikel wurde durch folgenden ersetzt: 8DX819600000
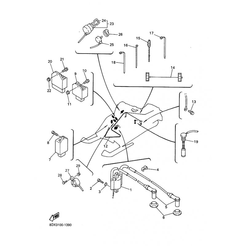
Hersteller: Yamaha
OEM Nummer: 8CR819600000
Dieser Artikel wurde durch folgenden ersetzt: 8DX819600000






















