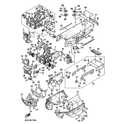
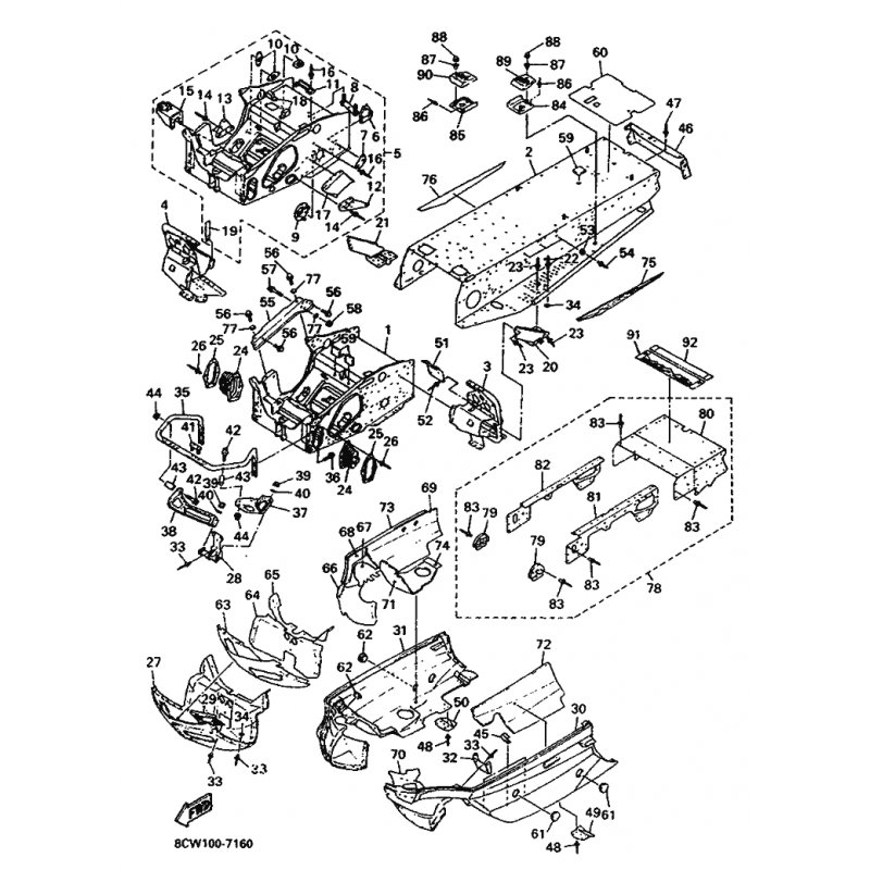
BRACKET 3
Artikelname: BRACKET 3
Hersteller: Yamaha
OEM Nummer: 8CR2196F0000
Hersteller: Yamaha
OEM Nummer: 8CR2196F0000




















