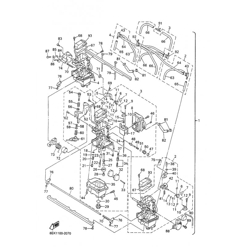
WELLE, ANLASSERHEBEL
Artikelname: WELLE, ANLASSERHEBEL
Hersteller: Yamaha
OEM Nummer: 8CH149780000
Hersteller: Yamaha
OEM Nummer: 8CH149780000




















