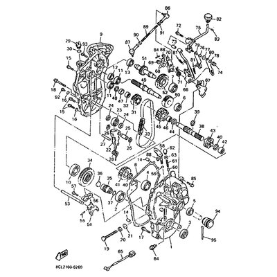
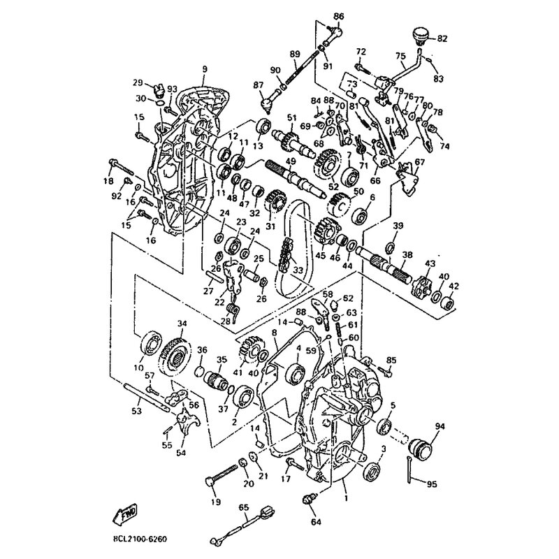
HEBEL
Artikelname: HEBEL
OEM: 8CL-18191-00 [8CL181910000]
OEM: 8CL-18191-00 [8CL181910000]






















