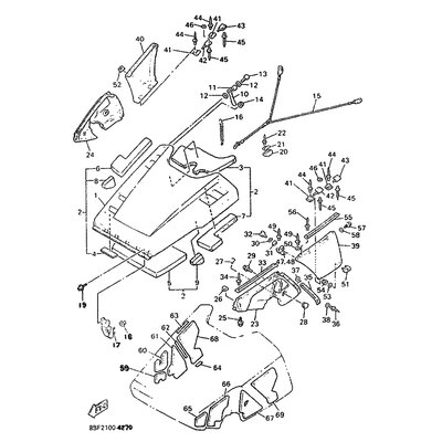
BRACKET 2
Artikelname: BRACKET 2
Hersteller: Yamaha
OEM Nummer: 88F2195X0000
Dieser Artikel wurde durch folgenden ersetzt: 88R2195X0000
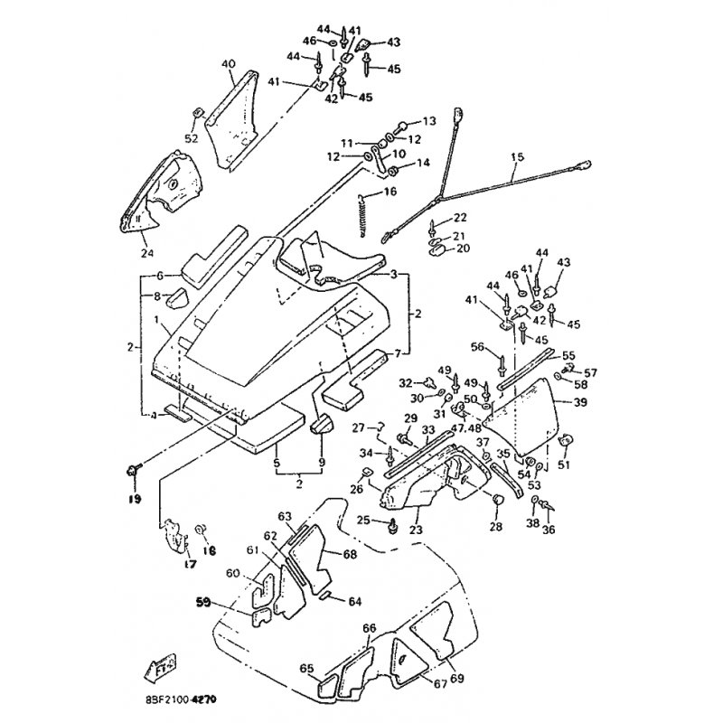
Hersteller: Yamaha
OEM Nummer: 88F2195X0000
Dieser Artikel wurde durch folgenden ersetzt: 88R2195X0000






















