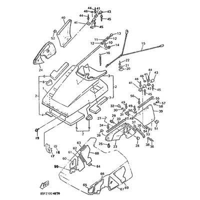
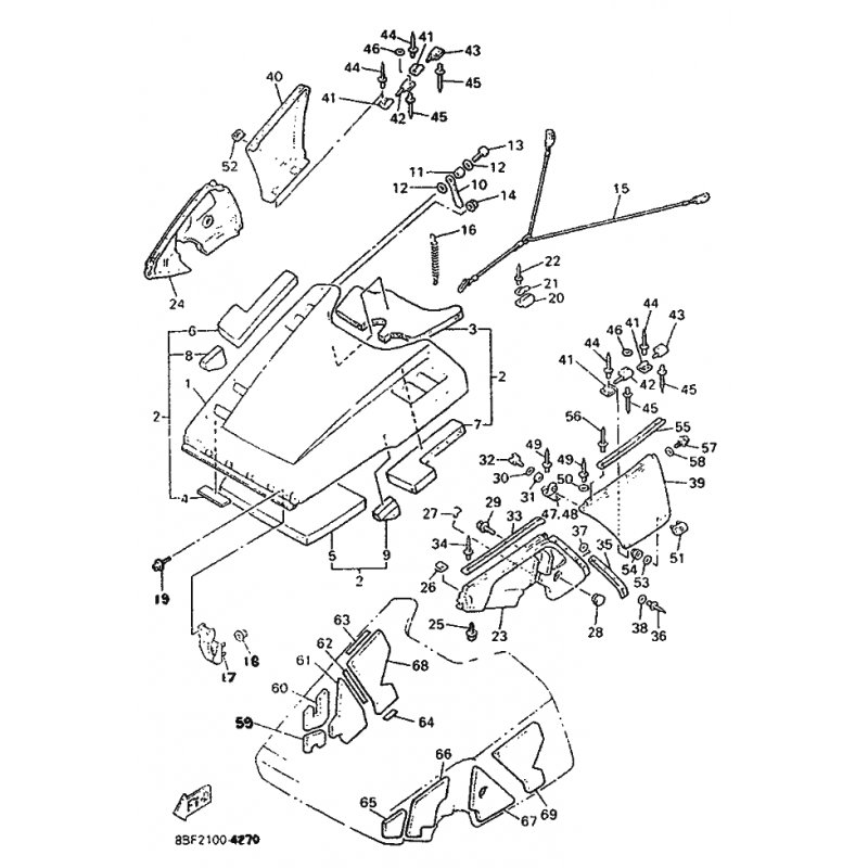
PROTECTOR 4
Artikelname: PROTECTOR 4
Hersteller: Yamaha
OEM Nummer: 87F775540100
Hersteller: Yamaha
OEM Nummer: 87F775540100




















