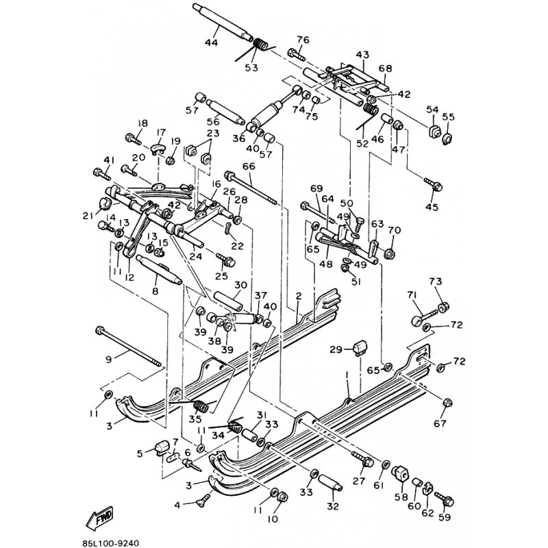
FRAME, SLIDING 2
Artikelname: FRAME, SLIDING 2
Hersteller: Yamaha
OEM Nummer: 85L474120000
Dieser Artikel wurde durch folgenden ersetzt: 85LW47410000
Hersteller: Yamaha
OEM Nummer: 85L474120000
Dieser Artikel wurde durch folgenden ersetzt: 85LW47410000






















