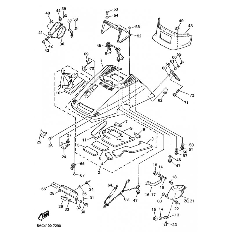
SRAY, FAIRING
Artikelname: SRAY, FAIRING
Hersteller: Yamaha
OEM Nummer: 83R772410000
Hersteller: Yamaha
OEM Nummer: 83R772410000




















