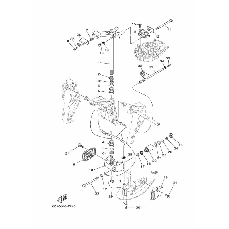
PLATTE
Artikelname: PLATTE
Hersteller: Yamaha
OEM Nummer: 69W445260100
Hersteller: Yamaha
OEM Nummer: 69W445260100






















