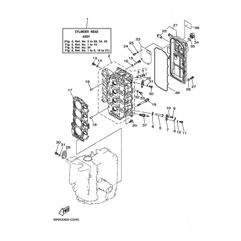
KOPF, ZYLINDER 1
Artikelname: KOPF, ZYLINDER 1
Hersteller: Yamaha
OEM Nummer: 69W11111001S
Hersteller: Yamaha
OEM Nummer: 69W11111001S






















