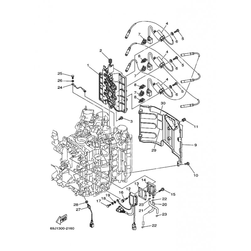
GLEICHRICHTER & SPANNUNGSR.
Artikelname: GLEICHRICHTER & SPANNUNGSR.
Hersteller: Yamaha
OEM Nummer: 69J819600100
Dieser Artikel wurde durch folgenden ersetzt: 69J819600200
Hersteller: Yamaha
OEM Nummer: 69J819600100
Dieser Artikel wurde durch folgenden ersetzt: 69J819600200






















