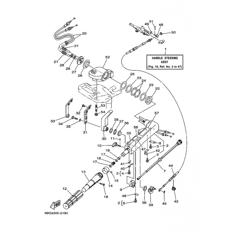
BUSING
Artikelname: BUSING
Hersteller: Yamaha
OEM Nummer: 66R421710000
Hersteller: Yamaha
OEM Nummer: 66R421710000






















