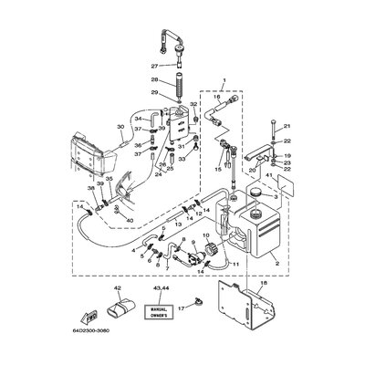
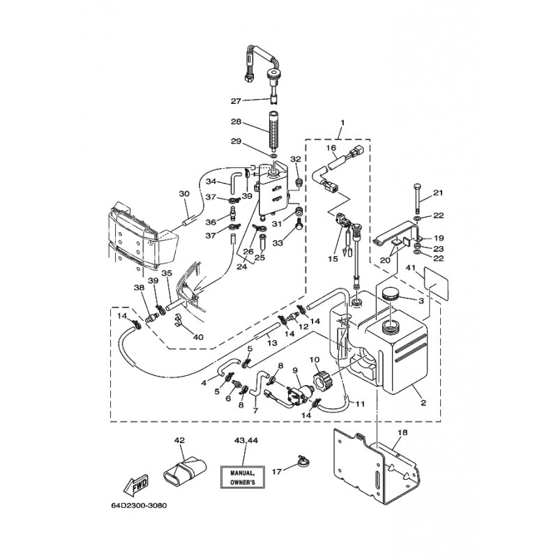
MANUAL,OWNER'S
Artikelname: MANUAL,OWNER'S
Hersteller: Yamaha
OEM Nummer: 64C281998FL0
Hersteller: Yamaha
OEM Nummer: 64C281998FL0




















