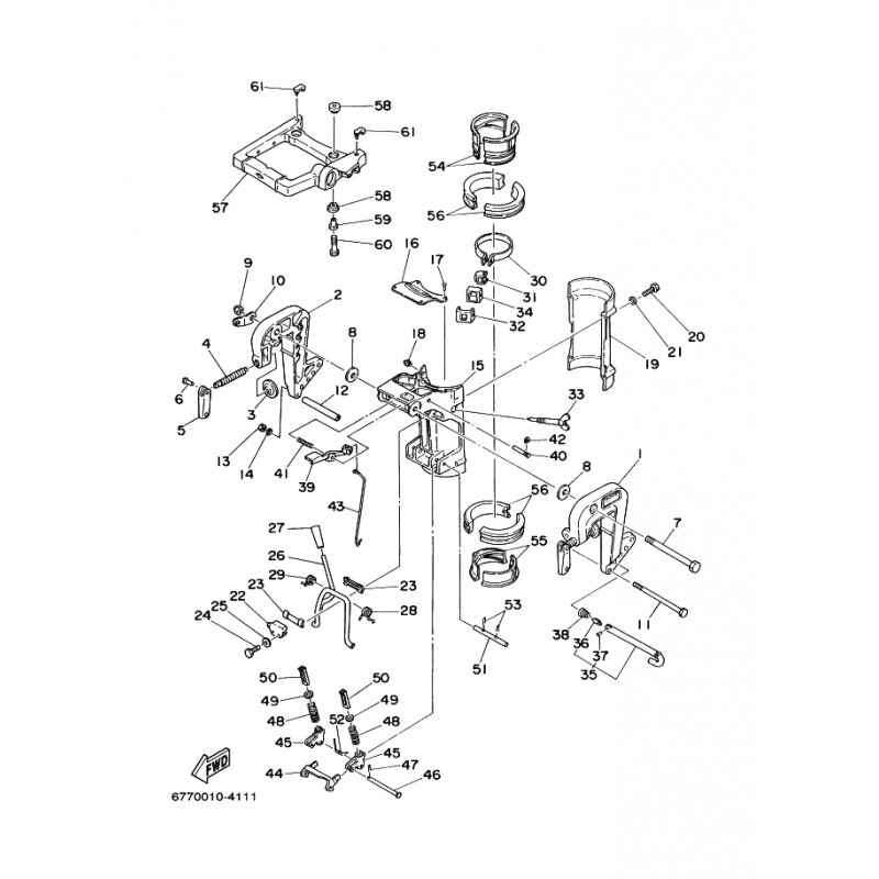
BRACKET, CLAMP
Artikelname: BRACKET, CLAMP
Hersteller: Yamaha
OEM Nummer: 62043111024D
Hersteller: Yamaha
OEM Nummer: 62043111024D




















